电动蝶阀有普通型和智能型。普通型,当接通其电机,阀门便开或合,视电机正反转而定;智能型如AC380V的,给其供AC380V后,电机不动,内部控制电路板可以工作。当给其输入4—20mA电流时,做相应动作。4mA时关闭,20mA时打开。而且有4—20mA模拟量反馈信号,以反应它的阀门开度大小。
电动蝶阀由电动执行器和蝶阀组成,电动执行器为90度旋转,有开关和调节式两种控制方式,通过电动执行器旋转带动蝶阀的开启与关闭。具备手动操作功能,在断电时通过手动操作来开关蝶阀。
常见的电动蝶阀接线图:

如下:开关型带有源灯指示电动蝶阀接线图,共有5根接线,1,2,3是控制部分,1,4,5是反馈部分。

开关型带无源触点型反馈电动蝶阀接线图,1,2,3是控制部分接线,4,5,6为无源触点反馈。

开关型带开度信号反馈电动蝶阀接线图。1,2,3为控制接线部分,4,5,6为反馈部分,输出0-5K的电阻值,可以选定。
AC380V三相电源电动蝶阀接线图:

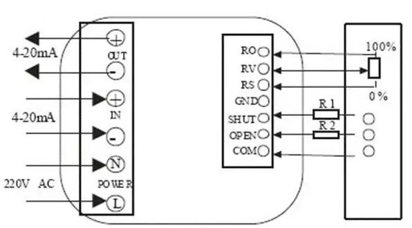
智能调节式电动蝶阀接线图,输入输出4-20mA:

电动蝶阀D971X/F型号是什么意思和区别?2022-01-13
不锈钢电动蝶阀工作原理(不锈钢气动蝶阀打开压力)2021-12-17
不锈钢电动蝶阀规格型号(电动蝶阀型号大全)2021-12-17
蝶阀|电动蝶阀(气动开关或调节介质流量的阀门)2021-12-03
电动蝶阀的结构和工作原理(电动蝶阀分类及优缺点)2021-12-02
AC220V电动蝶阀接线图说明书 DC24V电动蝶阀控制原理图2021-11-27
电动蝶阀怎么接线 DC24V电动蝶阀接线图说明及控制方法2021-11-27
电动对夹式软密封蝶阀的用途及特点 电动蝶阀结构应用2021-11-26
18701880159 18701880159