|
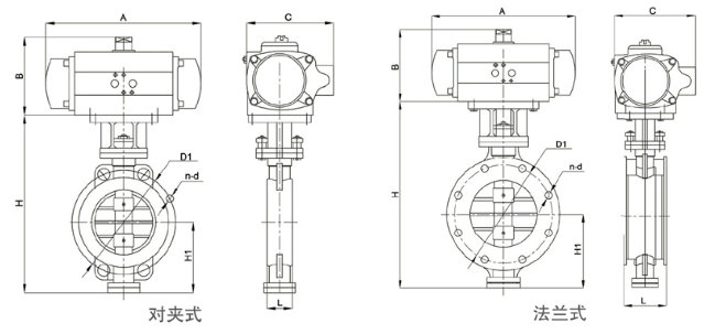
气动硬密封蝶阀简介: 气动硬密封蝶阀属于长寿命、高品质蝶阀,采用三维偏心原理设计,主要由法兰或对夹式硬密封蝶阀与气动执行装置连接组成,阀座和碟板密封面采用不同硬度的金属材料或不锈钢制成,具有耐高温、耐腐蚀、耐磨损等优点。气动硬密封蝶阀采用硬软密封兼容的多层次结构,无论在低温或高温的工况中都能保证优良的密封性能,且阀门在开启和关闭时碟板和阀座基本无摩擦现象,大大提高了蝶阀的使用寿命。气动硬密封蝶阀广泛应用于电力、油品、蒸汽、空气、污水等介质的管道当中,是开关控制或调节流量的*佳装置。 气动硬密封蝶阀性能特点: 1、采用三偏心原理结构,阀座与碟板在启闭时几乎无摩擦,提高了使用寿命。 2、结构独特,操作灵活、省力、方便、不受介质压力的高、低影响,密封性能可靠。 3、可分为气动对夹式硬密封蝶阀和气动法兰硬密封蝶阀,满足于不同连接方式,方便安装在管道中。 3、密封是采用软硬金属片层叠组成,具有金属密封和弹性密封的双重优点,无论在低温和高温情况下,均具有优良的密封特性。 5、蝶阀设有密封调节装置,长期使用后若密封性能下降,可调节碟板密封圈向阀座靠近即可恢复原有密封性能,大大地提高使用寿命。 气动硬密封蝶阀技术参数:
气动硬密封蝶阀执行机构:
气动硬密封蝶阀和气动软密封蝶阀的区别: 1、软密封使用于低压-常压,硬密封可使用于中高压工况。 2、软密封用于低温,常温环境,硬密封可用于低温、常温、高温等环境。 3、软密封蝶阀多为中线型结构,硬密封一般是单偏心、双偏心和三偏心蝶阀结构。 4、软密封蝶阀比三偏心硬密封蝶阀密封性能比较好,但三偏心蝶阀在高压高温环境下可以保持良好的密封。
气动硬密封蝶阀和气动软密封蝶阀的优缺点: 硬密封蝶阀使用寿命长,但是密封性相对比软密封差。 软密封蝶阀的优点是密封性能好,缺点是容易老化、磨损、使用寿命短。 软密封蝶阀多适用于含腐蚀性等常温管路做启闭及调节,硬密封蝶阀多用于供热、供气、及煤气、油品、酸碱等环境。 |
-
D643H-16C耐高温蒸汽铸钢三偏心金属硬密封涡轮法兰蝶阀铸造成型,***标重型体,耐高温425℃
-
提供力所能及的阀门解决方案,质保两年、D643H金属硬密封法兰蝶阀售前、售中、售后服务。
-
不改变介质流向,不扰流,压降小,启闭力矩小,工艺性能好和适用的压力、温度范围广。
-
用三偏心斜锥面密封,利用蝶板摆动接触密封、密封启闭无磨损,关闭时具有越关越紧
-
密封面选择D507Mo和钴基硬质合金,具有耐腐蚀、耐高温、使用寿命长的特点,克服了高温使用时热膨胀阀门易泄漏的缺点
-
适用介质:水、汽、油等


