|
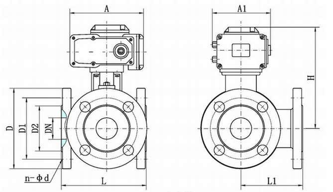
电动三通球阀概述: 电动三通球阀是一种可对三条管路介质进行换向、分流或合流的三通切换型调节球阀,一般有法兰或内螺纹连接方式,根据不同流向切换要求球芯可设计为L型和T型结构从而实现对管道中流体各种不同组合的控制形式。电动三通球阀不仅能对两条相互垂直的通道进行切换或截断,也能关闭任一通道,使另外两个通道连通,灵活控制管路中介质的合流或分流。选用不同功能的执行装置,可满足不同工况的使用要求,广泛用于电力、环保、供水、蒸汽、机械设备等工业系统中作两位切断或比例式调节使用。 电动三通球阀优点: 1,电动三通球阀兼备开关切断和智能比例式调节功能,不仅可截断流体, 也可以对压力,流量及温度等参数进行调整。 2,可用功能多,既能分配也能换向,适用于液休、气体、蒸汽等介质的配比调节与控制。 3,可用范围广,一阀多用,任一通口可用作入口而无泄漏,三通既可制成L型通口,也可制成T型通口。 4,可分为电动法兰三通球阀和电动内螺纹三通球阀,满足不同工况里管道的连接。 电动三通球阀技术参数:
电动三通球阀流向原理说明: 电动三通球阀根据流向切换要求一般分为L型结构和T型结构,介质流通方向可切换为多种形式。 L型电动三通球阀适用于介质流向的切换,能使相互垂直的两个通道相互连通, T型电动三通球阀适用于介质的分流、合流或流向切换。
T型三通球阀可以使三个通道互相连通或使其中两个通道连通,起分流或合流作用,电动三通球阀一般采用两个阀座结构,亦可根据用户要求采用四阀座结构。 |
||||||||||||||||||||||||||||||||||||||||||||||||
-
可用功能多,既能分配也能换向,适用于液休、气体、蒸汽等介质的配比调节与控制。
-
软密封:零泄露;金属密封:按GB/T4213-92,小于额定KV0.01%
-
可用范围广,一阀多用,任一通口可用作入口而无泄漏,三通既可制成L型通口,也可制成T型通口。
-
电动三通球阀分有电动三通L型球阀和电动三通T型球阀两种
-
广泛应用于化工,石油,轻纺,电力,食品制药,制冷,航空,航天,造纸等工业领域
-
根据用户提供的流量、压力提供选型规格书及控制方案图。



