|
手柄对夹蝶阀D71X原理作用: 蝶阀的启闭件是一个圆盘形的蝶板,在阀体内绕其自身的轴线旋转,从而达到启闭或调节的目的。蝶阀的优点有结构简单、体积小、重量轻、安装尺寸小、开关迅速。
手柄对夹蝶阀D71X性能特点: ①小型轻便,容易拆装维修,可任意位置安装; ②结构简单,90°回转启闭迅速; ③操作扭矩小,省力轻巧; ④流量特性趋于直线,调节性能好。 设计标准 | GB/T2238-1989 | 法兰连接尺寸 | GB/T9113.1-2000;GB/T9115.1-2000;JB78 | 结构长度 | GB/T12221-1989 | 压力试验 | GB/T13927-1992;JB/T9092-1999 | 公称通径 | DN(mm) | 50~2000 | 公称压力 | PN(MPa) | 0.6 | 1.0 | 1.6 | 试验压力 | 强度试验 | 0.9 | 1.5 | 2.4 | 密封试验 | 0.66 | 1.1 | 1.76 | 气密封试验 | 0.6 | 0.6 | 0.6 | 适用介质 | 空气、水、污水、蒸气、煤气、油品等。 | 驱动形式 | 手动、蜗杆蜗轮传动、气传动、电传动。 |
| 零件名称 | 材料 | | 阀体 | 球墨铸铁、铸钢、合金钢、不锈钢 | | 蝶板 | 铸钢、不锈钢及特殊材料 | | 密封圈 | 各种橡胶、聚四氟 | | 阀杆 | 2Cr13、不锈钢 | | 填料 | O型圈、柔性石墨 |

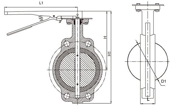
| 公称通径 | 结构长度 | 外形尺寸(参考值) | 连接尺寸(标准值) | | 0.6MPa | 1.0MPa | 1.6MPa | | 毫米 | 英寸 | L | H | H0 | A | B | D0 | n-d | D0 | n-d | D0 | n-d. | | 50 | 2 | 43 | 63 | 235 | 270 | 65 | 110 | 4-14 | 125 | 4-18 | 125 | 4-18 | | 65 | 21/2 | 46 | 70 | 250 | 270 | 65 | 130 | 4-14 | 145 | 4-18 | 145 | 4-18 | | 80 | 3 | 46 | 83 | 275 | 270 | 65 | 150 | 4-18 | 160 | 8-18 | 160 | 8-18 | | 100 | 4 | 52 | 105 | 316 | 270 | 65 | 170 | 4-18 | 180 | 8-18 | 180 | 8-18 | | 125 | 5 | 56 | 115 | 340 | 310 | 65 | 200 | 8-18 | 210 | 8-18 | 210 | 8-18 | | 150 | 6 | 56 | 137 | 376 | 310 | 65 | 225 | 8-18 | 240 | 8-22 | 240 | 8-22 |
|